Date: Nov, 2025 Solution type: Custom carrier tape
Customer Country: USA
Component Original Manufacturer: NONE
Design Completion Time: 3 Hours
Part Number: None
Part drawing:
Part picture:
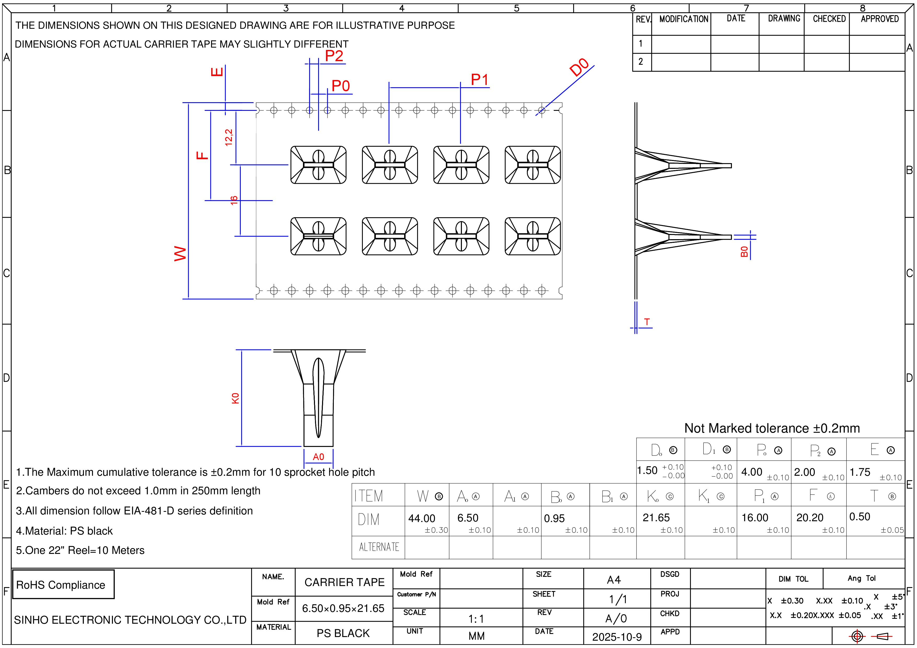
Sinho custom carrier tape dimensions:
Wide 44mm Pitch 16mm AO 6.50mm BO 0.95mm KO 21.65mm
Length/22” reel: 10M Pockets/reel: 625 pcs
Design concepts:
• Producing this tape in multiple rows. Given the customer required orientation, narrow width, and deep height of this part, multiple rows would help maintain the tape in a more stable and secure condition while winding it into a roll. Although this presents challenges for both tooling and production, we have discussed solutions to ensure the best performance of the tape.
• Additionally, we will be adding strength ribs around the pocket to make the pockets even stronger.
Sinho custom carrier tape design:
Over 800 billion components have been carried safely in Sinho tapes! Each design is created by Sinho’s engineering team and completed in the quickest possible time (in minutes), with a 99.99% success rate in initial designs.Improvement is FAST and FREE.We are your professional choice. If there is anything we can assist you with in your business, please feel free to reach out to info@xmsinho.com. We offer free quotes and immediate design services!
Post time: Nov-03-2025
