Date: Oct, 2025 Solution type: Custom carrier tape
Customer Country: USA
Component Original Manufacturer: TSLA
Design Completion Time: 1 Hour
1.jpg)
Part Number: RTV CHANNEL, HORIZONTAL 2141417-00
Part drawing:

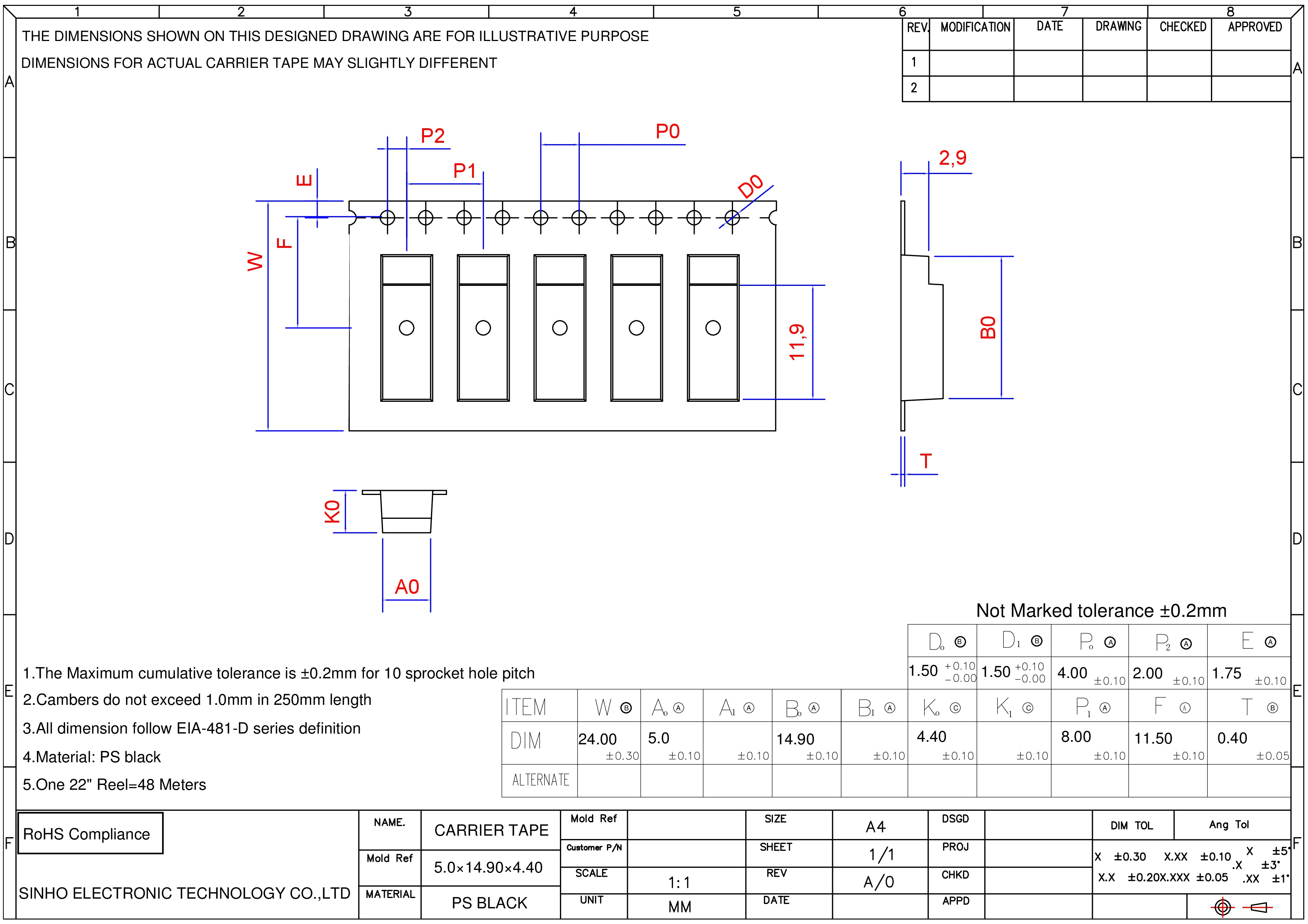
Sinho custom carrier tape dimensions:
Wide 24mm Pitch 8mm AO 5.0mm BO 14.90mm KO 4.40mm
Length/22” reel: 48M Pockets/reel: 6,000 pcs
Sinho custom carrier tape design:

Over 800 billion components have been carried safely in Sinho tapes! Each design is created by Sinho’s engineering team and completed in the quickest possible time (in minutes), with a 99.99% success rate in initial designs. Improvement is FAST and FREE. We are your professional choice. If there is anything we can assist you with in your business, please feel free to reach out to info@xmsinho.com. We offer free quotes and immediate design services!
Post time: Oct-13-2025